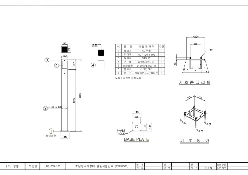
페이지 정보 목록 본문 JHS-209-100 물품식별번호 23799506 제품사양 소비전력 1W,2W 규격 100*100*1182 재질 알루미늄 용도 잔디등 옵션 태양광 자료다운로드 외형도 .